Carvin Vintage 16 Schematic
2 Buss 4 Buss Channel Rev F Schematics 2. Hasse Carvin Vintage 16 Mods page.
Dc127 Low Piezo Output And Other Strange Behavior Kieselguitarsbbs Com
Carvin Vintage 16 Schematicpdf Vintage is a modern way to dress she says.

Carvin Vintage 16 Schematic. Additionally Carvin has a wealth of technical documents on their site right here. NOMAD BEL AIR COMBO VINTAGE16 GUITAR AMPS. I want to gut the chassis and all its components of my Carvin Vintage 16 and rebuild it from a PCB design into a Point 2 Pointturret board design.
PICKUP WIRING All Carvin 22 series pickups have three wires plus a bare shield wire. Nomad 112 212 bel-air Vintage tube series. All capacitors in microfarads except as noted.
Is C19 somehow related to the original NFB. Is the least efficient diagram among the electrical wiring diagram. Ive successfully this conversion on my 82 Marshall JCM800 4104 over 9 years ago but this new idea is going to be much more of a challenge.
On this page are links to directions for my mods for the Carvin Vintage 16 guitar amp. The Carvin Vintage 16 originally had a negative feedback loop but one of the Hasse mods involved removing the NFB completely. Vintage 16 Schematic PDF Vintage 33 Schematic rev C 4894 PDF Vintage 50 Schematic PDF Classic 100.
Preamp Tube Gain Factor. Carvin V3 Schematic Carvin Vintage 16 Schematic Carvin X100b Poweramp Original Version Schematic Carvin X100b Preamp Schematic Carvin X Series Schematic How to Bias Carvin V3 How to Bias Carvin X100b How to Bias V3M And V3MC. If you have to drill through more than 2 of wood you should use a special 12 long drill bit which is available at most hardware stores.
And I think that vintage turns that on its head. 2 Buss 4 Buss Channel Rev D E Schematics. Category AUDIO SERVICE MANUAL.
Carvin Vintage 16 Schematic It is far more helpful as a reference guide if anyone wants to know about the homes electrical system. All open grounds are a exept as noted. The new amp Spiffy XVI remains without any NFB.
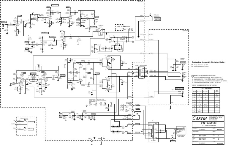
All diodes are type 1n4003 except as noted. Vintage 33 internal fuse 1-28 30-77207-52 82pf c44 150v 16 1 8 4 6 l1-a l1-b 13 9 11 opench1 closedch2 56 tip r16 100k volume 1 c21 2200µf 6v 470k r21 p11 20k bias adj cw 11 72 15-10640 t1 3a slow blow 5mm x 20mm 240v f4 1agc stdby stdby c45022600 stand by 3v relay 16Ω001 c46 across standby 360vdc 335v 355v 29vac 29vac-17 vdc. Schematic Name and Revision PCB Filename Rev Date.
CARVIN VINTAGE 16 SCH. Download Carvin Guitar Amplifier Schematics. TAD offers a reliable and affordable way to experience the sound of this legendary tube.
Oakland Coliseum to become mass-vaccination site - goal is 6000 doses a day starting Feb. Gibson Ga-70 Schematic Diagram Schematic diagram 1 pages Aguilar DB 728 Specification Specification 5 pages ZOOM GFX-8. The vintage made in England Mullard ECC83 has been accurately recreated in the Tube Amp Doctor 7025 S.
Use a 316 or 14 drill bit. Download CARVIN VINTAGE 16 SCH service manual repair info for electronics experts. Basics Of Vacuum Tubes.
The white wire only gets used if you want. Please note that all these documents are the property of Carvin and may not be copied reproduced or posted on other sites without explicit permission. General Power Amp 1978 Schematics 2 Buss 4 Buss Channel Rev D Schematics.
Vintage is sustainable but generally far more affordable. Service manuals schematics eproms for electrical technicians. Warranty and Trial Period.
The shield wire always goes to ground. 16 The site - one of the first mass vaccination locations in the. Therefore the Hasse mod called for C21 and R24 to be removed.
DESCRIPTION OF MANUALS INCLUDED IN THIS DVD COMPILATION. Vintage 16 musical instrument amplifier pdf manual download. CARVIN Vintage 16 Operating Manual.
450 CARVIN Schematics PDF files Adobe Reader XI on DVD-R FREE SHIPPING ALL AROUND THE WORLD. View and Download CARVIN Vintage 16 operating manual online. Its components are shown by the pictorial to be easily identifiable.
Gibson GA6 Schematic Diagram Schematic diagram 1 pages Markbass Super Pro DI Box Owners Manual Owners manual 8 pages Roland CUBE-30 Owners. CARVIN Vintage 16 Operating Manual. The instruction page includes explanations of what was done and why as well as how to do it.
PDF Size 1842 KB. This highly sought after tube is regarded by many as the best dual triode to have ever been created for audio use. Also links for schematics of the stock Carvin amp and the moddified amp.
This site helps you to save the Earth from electronic waste. Carvin valve master amplifier schematic 107 KB carvin vintage 16 amp schematic diagram 184 KB carvin vintage 33 amp schematic diagram 222 KB carvin vt50 vintage 50 amplifier schematic 61 KB carvin vtr 2800 amplifier schematic 936 KB carvin x 30 x 60 guitar amp schematic diagram 346 KB carvin x 100 board layout 596 KB. Stock Carvin Vintage 16 schematic.
Http Hasserl Com Yahoo Site Admin Assets Docs Hasse Vintage 16 Mods 302194339 Pdf
Vz 0776 Marshall Amp Wiring Diagrams Download Diagram
Carvin Legacy Schematic 2009 Gmc Sierra 1500 Engine Diagram Tomosa35 Yenpancane Jeanjaures37 Fr
Carvin V3 Midi Setup Image By Deltabreitrwra
Carvin Preamp Sx Sch Service Manual Download Schematics Eeprom Repair Info For Electronics Experts
Carvin Vintage 16 Schematic Illuminated Push Button Wiring Diagram Foreman Yenpancane Jeanjaures37 Fr
Ne 6592 Carvin Pickup Wiring Diagrams Carvin Circuit Diagrams Wiring Diagram
Carvin V3 Schematic Best Fusebox And Wiring Diagram Ground Suppress Ground Suppress Contentflowservice It
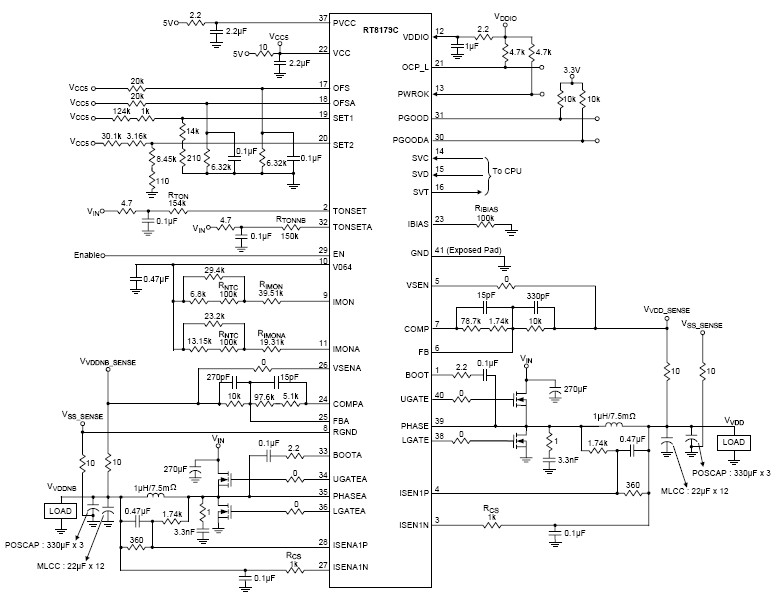
Rt8179c Dual Output Pwm Controller With 2 Integrated Drivers For Amd Svi2 Mobile Cpu Power Supply Richtek Technology
Carvin Vintage 16 Schematic 1993 Jeep Cherokee Fuse Box Electrical Wiring Tukune Jeanjaures37 Fr
Djl Vintage Audio 2007 Binford Street Greensboro Nc 27403 336 274 6767 Return To Audio Home Page Projects Bogen He10 Gibson Titan Medalist Jd Special Gibson Ga 8 Fender Re Vibe 5h15 Jeff Gehring Design Carvin Vintage 16
Tubes For The Carvin Vintage 16 Amplified Parts
Carvin Vintage 33 Sch Service Manual Download Schematics Eeprom Repair Info For Electronics Experts
Ms 7917 Carvin Pickup Wiring Carvin Circuit Diagrams Download Diagram
Carvin Amp Schematics Www Thetubestore Com
Vs 4049 Wiring Diagram Furthermore Carvin Humbucker Wiring Diagram On Carvin Wiring Diagram
Carvin Vintage 16 Schematic Vauxhall Insignia Fuse Box Layout Tomberlins Citroen Wirings3 Jeanjaures37 Fr
Carvin Vintage 16 Sch Service Manual Download Schematics Eeprom Repair Info For Electronics Experts
Carvin Vintage 16 Schematic One Humbucker Volume Wiring Diagram For Wiring Diagram Schematics
Posting Komentar untuk "Carvin Vintage 16 Schematic"
Posting Komentar