Car Lpg Wiring Diagram
There are just two things which are going to be present in any Club Car Wiring Diagram Gas. Little Giant Pump Wiring Diagram.
Lpg Cng Gas Ecu Set For 3 4 Cylinder Petrol Sequential Injection Engines Lpg Cng Lpg Eculpg Gas Aliexpress
It shows the components of the circuit as simplified shapes and the faculty and signal contacts in the middle of the devices.

Car Lpg Wiring Diagram. This is the same information that the dealers use. Once it is running as it should on Petrol then you can assess how the LPG components are hooked up from an electrical standpoint. Lpg Wiring Diagram Pdf wiring diagram is a simplified conventional pictorial representation of an electrical circuit.
Wiring diagrams for Koltec LPG system Cars Transportation. This link is to my build thread which shows some of this. Driving an LPG car.
If you are thinking about adding the Impco PN SV Start assist valve electric solenoid there is not much to the wiring diagram. A wiring diagram is a streamlined traditional pictorial representation of an electrical circuit. 3 Full PDFs related to this paper.
My factory fitted LPG is playing up and my brother a mechanic won. Click the select button. The first component is symbol that indicate electric component in the circuit.
Select the engine injection type 4. Get premium wiring diagrams that are available for your vehicle that are accessible Online right now Purchase Full Set of complete wiring diagrams so you can have full Online access to everything you need including premium wiring diagrams fuse and component locations repair information factory recall information and even TSBs Technical Service Bulletins. Boat Starter Solenoid Wiring Diagram.
Hss Telecaster Wiring Diagram. Check the data-sheet injectors Pic. Wiring diagram for Seaward LPG control solenoid and galley control panel I can get no gas when canister is turned on and galley control panel switch is in on posityion.
PRINS VSI 1 and VSI 2 Installation Manual Diagrams. PRINS VSI 1 and VSI 2 Installation Manual Diagrams. The other terminal is connected to ground.
Car alarm wiring diagram Car Alarm Circuit Diagram Unique Car Horn Relay Wiring Diagram. I found it easier to install all new relays for fuel pump fuel guage injector cuts etc and go from there. Hagstrom Swede Wiring Diagram.
A circuit is usually composed by many components. Hi your issue is that your car which starts with petrol then switchies over to lpg for which youll already know but the problem lies within the cylindar heads as it can only be 1 of 3 things 1 your valve seals are worn excessively due to the lpg as that runs at a higher heat density which stretches the valves which in turn causes then to wear and that reduces the power ie lack offas it puts the ecu into limp mode safe to protect your engine as its a common fault on ALL lpg conversions. Do you have any idea where i could find a wiring diagram for LPG system.
Collection of car alarm wiring diagram. A short summary of this paper. Collection of club car wiring diagram gas.
2003 Mitsubishi Eclipse Infinity Sound System Wiring Diagram. Oct 30 EFI cars start on Petrol and afterwards switch to CNG. 2009 Nissan Murano Alternator Wiring Diagram.
Click on the image to enlarge and then save it to your computer by right clicking on the image. Wiring diagrams for Koltec LPG system Cars Transportation. German Plug Wiring Diagram.
3 To select the correct nozzle please use the Powerjet Plus software. File Manuale Seq. Plug Drive S24 11 Concetti Base Dei Sistemi Sequent Ppt Online.
Follow the steps to fine tuning your new CNG conversion kit. STEP Calibration- Use the SkyCNG serial cable to connect your latop to the OBDII as noted in the wiring diagram. Open the window General F2 2.
Mini Cooper Cooling Fan Wiring Diagram. Most car ECUs have the ability to constantly learn the best settings for the engine and monitors and changes these settings many times a second it then stores the last settings until we start the car again. BenJs LPG Fix I have an IMPCO diagram I made to help with my new LPG wiring I can send to you.
PRINS VSI 1 and VSI 2 Installation Manual Diagrams. Plug Drive S24 11 Concetti Base Dei Sistemi Sequent Ppt Online. Lpg Gas Conversion Wiring Diagram wiring diagram is a simplified all right pictorial representation of an electrical circuit.
One terminal is connected to the starter circuit so that when the starter solenoid is energized the valve opens. It reveals the parts of the circuit as streamlined forms and the power as well as signal links between the devices. Click the car button at the right bottom of the window 3.
Two connections to the car ECU one to the coil feed and one to the computer memory. 2005 Nissan Frontier Trailer Wiring Diagram. This is a new used boast for me and I suspect the wiring is screwed up.
The other thing which you will come across a circuit diagram would be traces. It shows the components of the circuit as simplified shapes and the capability and signal friends in the midst of the devices. Diagram Conrad Brc Wiring In Pdf And Cdr Files Format Free Bowtiediagramgruppoguerrinidal1958 Gruppoguerrinidal1958 It.
Club car wiring diagram gas Wiring Diagram 98 Club Car Gas Save Wiring Diagram Od Rv Park Jmcdonaldfo Wiring. Select the cylinders number and kilowatt of the engine 5. The theory is that the car gets confused when it has been running on gas and we start it on petrol so we install a device which wipes the memory as if we had disconnected the battery.
Download Full PDF Package. Diagram Auto Lpg Wiring Full Version Hd Quality Logicdiagram Viafrankcesena It.
12 Car Light Switch Wiring Diagram Car Diagram Wiringg Net Motorcycle Wiring Trailer Light Wiring Light Switch Wiring
Diagram 2006 Smart Fortwo Wiring Diagram Full Version Hd Quality Wiring Diagram Diagramdepewv Il Brigantino It
Understanding And Installing Lpg Kits For Cars
Wiring Diagram Car Horn Relay Bookingritzcarlton Info Electrical Diagram Automotive Electrical Electrical Wiring Diagram
Drag Race Car Wiring Systems Wiring Diagramrace Car Wiring Schematic Wiring Diagram Bloglegends Race Car Trailer Wiring Diagram Car Alternator Drag Racing Cars
Gas Research Wiring Diagram Lpg Tech Ozfalcon Ford Falcon Owners Club
10 12v Toy Car Wiring Diagram Car Diagram Wiringg Net Electrical Wiring Diagram Remote Control Cars Remote Car Starter
Diagram Car Lpg Wiring Diagram Full Version Hd Quality Wiring Diagram Diagramdalev Apriliana It
Car Vialle Liquefied Petroleum Gas Autogas Wiring Diagram Png 960x627px Car Architecture Autogas Compressed Natural Gas
Lpgtech Tech 326 6 Cylinder Ecu For Lpg Conversion
Mehran Car Wiring Diagram Glw Zionsnowboards De U Electrical Wiring Diagram Electrical Diagram Ezgo Golf Cart
Car Lpg Wiring Diagram 1975 Dodge Truck Wiring Diagram Pontiacs Tukune Jeanjaures37 Fr
Car Lpg Wiring Diagram Where S The Fuse Box For The Home Is In Furnace Controlwiring Yenpancane Jeanjaures37 Fr
Prins Vsi 2 0 Lpg Autogas Conversion System Flex Pipe Front Kit
Images Wiring Diagram 1997 Gas Club Car 99 With Throughout Electric Golf Cart In At Gas Club Car Wiring Diagram Club Car Golf Cart Gas Golf Carts Wire
27 Ford Alternator Wiring Diagram Internal Regulator Bookingritzcarlton Info Car Alternator Alternator Electrical Circuit Diagram
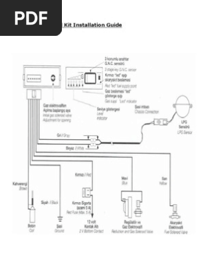
Gas Kit Installation Guide Carburetor Electrical Connector
Simplest Propane Lpg Sequential Injection Conversion Kit For 3 4 Cylinders Gasoline Fuel Injected Vehicle Code Readers Scan Tools Aliexpress
Http Www Dudadiesel Com Propane Manual Pdf
Posting Komentar untuk "Car Lpg Wiring Diagram"
Posting Komentar